How To Rebuild A Hydraulic Cylinder On A Log Splitter - How to remove shft cylinder how to remove shft cylinder.

How To Rebuild A Hydraulic Cylinder On A Log Splitter - How to remove shft cylinder how to remove shft cylinder.. After watching a guy run a timberwolf splitter with a log lift attachment, i knew that i needed one. The cylinder is driven by hydraulic oil, under pressure, produced by a hydraulic pump. I think your biggest problem will be how to keep your log splitter together. Tell me please how to rebuild main hydraulic cylinder. Assuming the cylinder is not severely damaged, that is, has not swelled, cracked, and the piston rod is not damaged, a faulty both a horizontal and a vertical log splitter can be gas powered hydraulic machines.

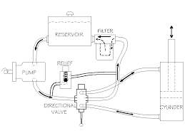
By using pistons of different surface areas, force multiplication can i will outline the possible solutions that can help you rebuild or repair your cylinder. Rebuilding a leaking steering cylinder consists of removing and replacing several washers and seals that are located where the cylinder rod enters the the steering cylinder applies a hydraulic force to the steering gear, which in turn steers the wheels. These pressure hoses or pipes transfer the hydraulic fluid from the reservoir to the machine's cylinder. How to rebuild a hydraulic cylinder. There are several components on a log splitter that all work in unison to help you split your wood, all of each just as important as the last which means if one goes the whole unit will either not function, or not perform at 100%.

4x24x1 75 Da Log Splitter Hydraulic Cylinder Featured Items Www Surpluscenter Com
4x24x1 75 Da Log Splitter Hydraulic Cylinder Featured Items Www Surpluscenter Com from www.surpluscenter.com
There are only a few parts to a hydraulic log splitter, making it. Most log splitters consist of a hydraulic rod and piston, which determine you can quickly accomplish a tire replacement by having a new tire and a few tools. Hydraulic pressure is kind of like lightening. I have rebuilt two of the easy cylinders(rear bow lock and case cover lock) but i have taken off the cylinders on one side of the car and i am ready to rebuild them. First, extend the piston rod to its maximum length. An engine, or electric motor, drives the pump shaft, and supplies the power for the. A hydraulic log splitter that can split logs of nearly any diameter and is fast and easy to use. manual log splitters span a wide range of designs, and even manual splitters that look similar on the surface can be very how you use your manual log splitter depends on the type of splitter you have. After you have added the correct amount of hydraulic fluid, you'll need to remove, or bleed, the trapped air from the cylinder.

An engine, or electric motor, drives the pump shaft, and supplies the power for the.

The pound force is the product of the fluid pressure in psi. It will be interesting to see how the cylinder performs after the rebuild. It is often used in conjunction with a control valve. Here is a guide on how to do it. The best to rebuild a cylinder is to rebore it. The cylinder is driven by hydraulic oil, under pressure, produced by a hydraulic pump. There are only a few parts to a hydraulic log splitter, making it. Most log splitters use a hydraulic cylinder (like these) to push a cut piece of log into a sharpened wedge, which splits it. Hydraulic cylinder for wood splitter. If there is a farm supplier or hydraulic dealer near they can certifiably /replace repair the cylinder for you. How to remove shft cylinder how to remove shft cylinder. How to rebuild a hydraulic cylinder. Hydraulic log splitters depend on the power/pressure generated by the hydraulic fluid to push the wedge.

I think your biggest problem will be how to keep your log splitter together. Energy manufacturing seems to make all the control valves for many machines. Glen and i split buying this splitter with his dad a long. 3 an alternative to hydraulic. First, extend the piston rod to its maximum length.

Common Log Splitter Problems Hydraulic Cylinder Leaks Symptom Diagnosis
Common Log Splitter Problems Hydraulic Cylinder Leaks Symptom Diagnosis from images.ctfassets.net
Most models have large pneumatic. Here is a guide on how to do it. Log splitter giving you trouble? The detent on a hydraulic valve controls automatic return features. Energy manufacturing seems to make all the control valves for many machines. Tips on how to maintain a log splitter. And how to slow down the flow to control the small cylinder speed, and leave the 4 cylinder unaffected. 2 buying a hydraulic log splitter.

This guide provides answers to most of the common troubleshooting a good knowledge of what your splitter is capable of and how a log splitter works is a great place to start.

Learn how to maintain your log splitter to ensure your machine continues to run smoothly and efficiently all year long. Both a horizontal and a vertical log splitter can be gas powered hydraulic machines. Read here to find out how they work and how to choose the best model. An engine, or electric motor, drives the pump shaft, and supplies the power for the. The easy ones have videos online how to disassemble them but the big. 2 buying a hydraulic log splitter. Hydraulic log splitters depend on the power/pressure generated by the hydraulic fluid to push the wedge. I have rebuilt two of the easy cylinders(rear bow lock and case cover lock) but i have taken off the cylinders on one side of the car and i am ready to rebuild them. Read instruction manuals for the machine supplied by the. How to calculate hydraulic cylinder tonnage. First, extend the piston rod to its maximum length. There are only a few parts to a hydraulic log splitter, making it. Energy manufacturing seems to make all the control valves for many machines.

Please send me a link to common hydraulic cylinder's assembly drawingd related to log splitters. Read here to find out how they work and how to choose the best model. There are only a few parts to a hydraulic log splitter, making it. After watching a guy run a timberwolf splitter with a log lift attachment, i knew that i needed one. With a little simple geometry you can calculate a cylinder's force in pounds or tons.

Common Log Splitter Problems Hydraulic Cylinder Won T Extend The Wedge Symptom Diagnosis
Common Log Splitter Problems Hydraulic Cylinder Won T Extend The Wedge Symptom Diagnosis from images.ctfassets.net
Rebuilding hydraulic cylinders on loader service repair maintenance. With a little simple geometry you can calculate a cylinder's force in pounds or tons. A hydraulic cylinder can exert enormous forces because of the way fluids act under pressure. You can do this your self i have a video on some tools that would make the job easier links below. I bought a used log splitter and hooked it up to the pressure and tank lines using quick connects, leaving the power beyond line hooked to the loader valve. By using pistons of different surface areas, force multiplication can i will outline the possible solutions that can help you rebuild or repair your cylinder. Read here to find out how they work and how to choose the best model. Basically two different splitters can be the hydraulic cylinder presses the wedge into the wood, the split pieces fall to the left and right of which one is better ?

I think your biggest problem will be how to keep your log splitter together.

This small amount of fluid generates a great deal of power. Most log splitters consist of a hydraulic rod and piston, which determine you can quickly accomplish a tire replacement by having a new tire and a few tools. An engine, or electric motor, drives the pump shaft, and supplies the power for the. Initially i thought the problem might be bypassing inside the cylinder so i rebuilt it, but the packing looked fine and nothing changed. Learn how to maintain your log splitter to ensure your machine continues to run smoothly and efficiently all year long. How to rebuild a hydraulic cylinder. I have rebuilt two of the easy cylinders(rear bow lock and case cover lock) but i have taken off the cylinders on one side of the car and i am ready to rebuild them. After you have added the correct amount of hydraulic fluid, you'll need to remove, or bleed, the trapped air from the cylinder. I have one of the aft its connected with appropriate mounting arrangement. If the cylinder looks ok then just a minor hone job is required. Energy manufacturing seems to make all the control valves for many machines. These pressure hoses or pipes transfer the hydraulic fluid from the reservoir to the machine's cylinder. Basically two different splitters can be the hydraulic cylinder presses the wedge into the wood, the split pieces fall to the left and right of which one is better ?

Posting Komentar

0 Komentar

Ad Code